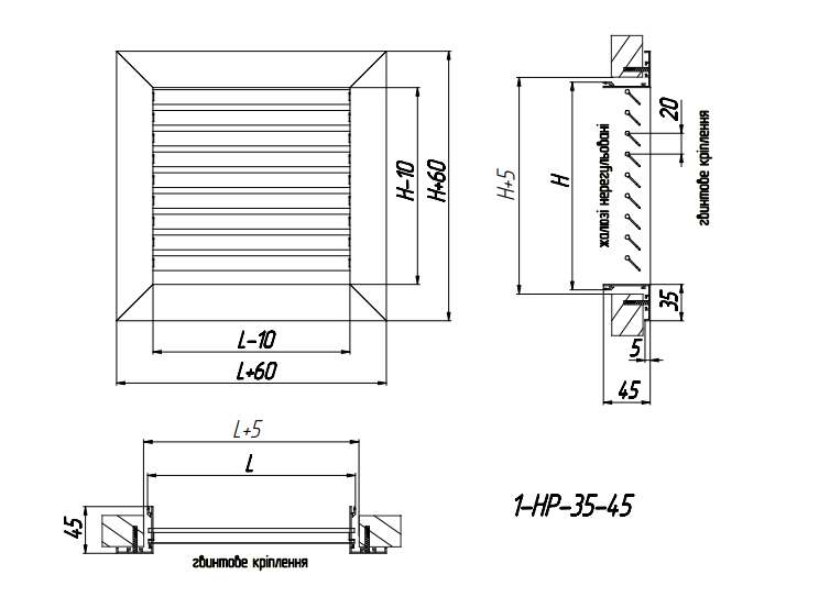
Grilajele sunt realizate din profile de aluminiu de înaltă calitate sub forma unui cadru și constau din plăci orizontale fixe amplasate la un unghi de 45° și în trepte de 20 mm.
Profilele sunt acoperite cu vopsea pulbere rezistentă la căldură, care asigură o protecție fiabilă împotriva factorilor de mediu negativi și previne uzura prematură a produsului. Culoarea standard este alb, dar, la cererea clientului, poate fi vopsită în altă culoare din catalogul RAL.
Producție
Bazat pe dimensiunile LxH în trepte de 5 mm.
Pentru dimensiunile L>500mm, se utilizează un profil de separare.
Exemplu de comandă și instalare
1-NR-35-45* (RAL-9016) 400x300h - montare cu o conexiune cu șurub (găurile de montare sunt situate pe partea din față a cadrului grilei), alb.
Echipament.
- poate fi prevăzut cu o plasă de protecție împotriva păsărilor și rozătoarelor (+C).
