Acest tip de grilă este utilizat în ventilația de alimentare și evacuare și este proiectat pentru instalarea în conductele de aer sau în deschiderile clădirilor în spații de diferite tipuri și scopuri. Lamele fixate rigid conferă grilajului rezistență și un aspect estetic plăcut, astfel încât este potrivit pentru încăperi cu cerințe ridicate de design. De asemenea, poate fi utilizată ca podea.
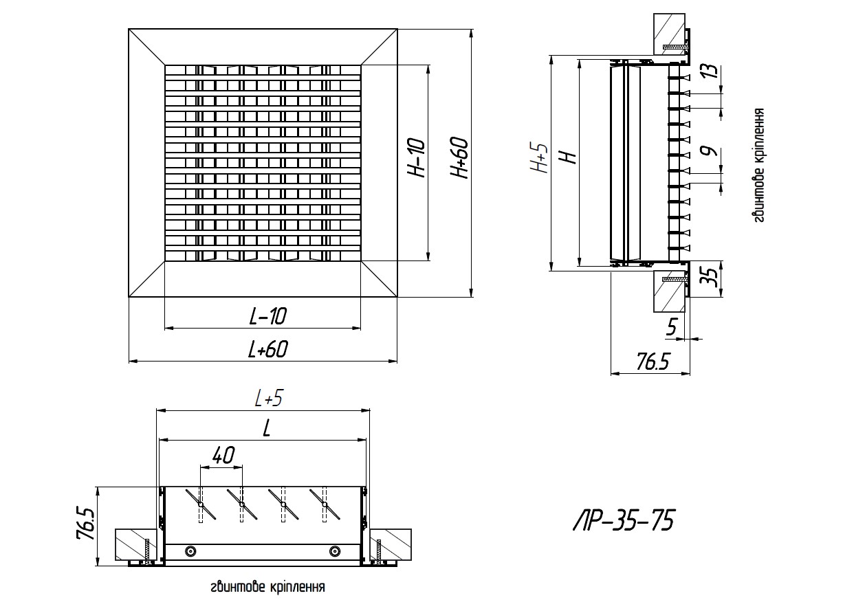
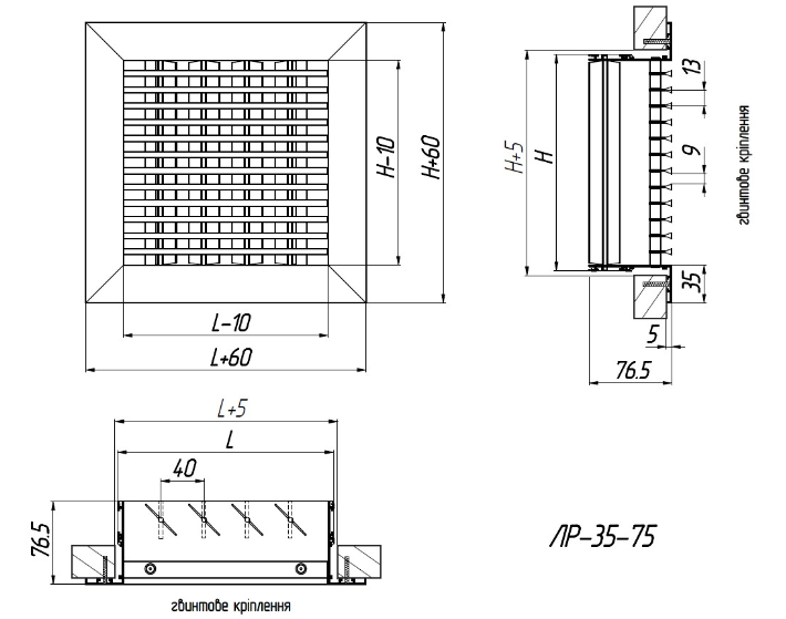
LR-35-75 - grile liniare, cu două rânduri, nereglabile, cu un unghi de deviație a plăcilor de 0° și un al doilea rând cu lamelă mobilă dispusă vertical Prin schimbarea poziției lamelelor (unghiul de înclinare este selectat individual și reglat independent unul de celălalt), direcția fluxului de aer poate fi reglată.
Acestea sunt realizate din profile de aluminiu de înaltă calitate care sunt acoperite cu vopsea pudră, care asigură o protecție fiabilă împotriva factorilor de mediu negativi și previne uzura prematură a produsului. Grilele sunt ușor de curățat și au o textură lucioasă plăcută, ceea ce le face nu numai funcționale, ci și decorative. Culoarea standard este alb, dar, la cererea clientului, poate fi vopsită în altă culoare, conform catalogului RAL.

Bazat pe dimensiunile LxH în trepte de 5 mm.
LR-35-75 (RAL-9016) 400x300h - fără elemente de fixare, montat cu șuruburi în capătul deschiderii clădirii, alb.
LR-35-75* (RAL-9016) 400x300h - montare cu o conexiune cu șurub (găurile de montare sunt situate pe partea din față a cadrului grilei), alb.
- cu înveliș plenum