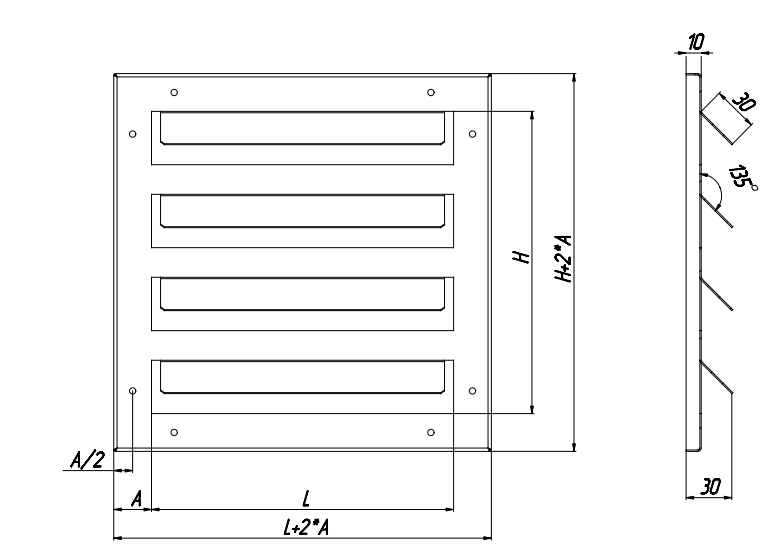
Pressed grilles are made from solid sheet (galvanized or stainless steel) by stamping and forming horizontally arranged non-adjustable blinds bent outwards at an angle of 45°. The louver frame is bent inwards along the perimeter and has a height of 10 mm. They are designed for air supply or removal by ventilation, air conditioning or smoke exhaust systems. Galvanized grids are powder coated, which provides reliable protection from negative environmental factors and prevents premature wear of the product. The standard paint color is white, but at the request of the Customer it is possible to paint in another color according to the RAL catalog.
Manufacturing
According to the planting dimensions LxH in 5mm increments.
At the size L>800mm a separating profile is used.
The width of the frame of such a grating can vary from 10mm to 100mm.
Example of ordering and installation
Grille stamped ОЗ (RAL 9016) 600x500 (664x564) - mounting with screw connection (mounting holes are located on the front side of the grille frame), material galvanized sheet, color white, frame width 32mm.
Stamped grille НЗ 700x300 (804x404) - mounting with screw connection (mounting holes are located on the front side of the grille frame), material stainless steel sheet, frame width 52mm.
