Stamped overlay grilles are mounted directly on smoke extraction valves, air ducts or construction openings without deepening into the opening. They are used in supply and exhaust ventilation systems, smoke extraction systems and air conditioning systems.
The rigidly fixed louvers at an angle of 45° give the grille strength and a pleasant aesthetic appearance. The width of the frame of this grille can be different and is indicated in the application.
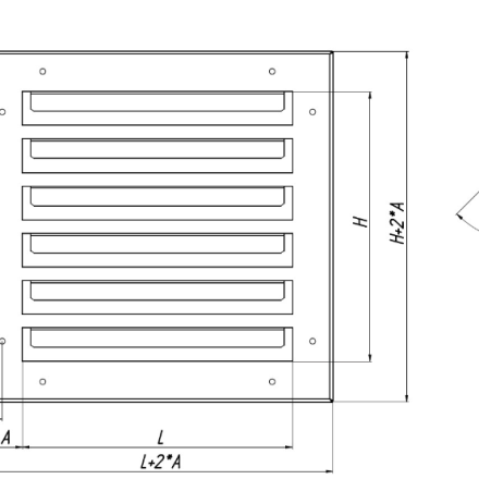
Stamped grilles are made from a solid steel sheet (galvanized or stainless) by stamping and forming horizontally positioned non-adjustable louvers bent inward at an angle of 45°. The frame of the grilles along the perimeter is also bent inward and has a height of 10mm. Designed for air supply or removal by ventilation, air conditioning or smoke extraction systems.
Galvanized grilles are covered with powder paint, which provides reliable protection against negative environmental factors and prevents premature wear of the product. The standard color of painting is white, but at the customer request it is possible to paint in another color according to the RAL catalogue.
Fitting sizes LxH with 5mm steps.
For size L> 800mm, a dividing profile is used.
The frame width of such grille can vary from 10mm to 100mm.
Galvanized stamped grille (RAL 9016) 600x500 (664x564) – Screw mounting (mounting holes are located on the front side of the grille frame), material galvanized sheet, white colour, frame width 32mm.
Stamped stainless grille 700x300 (804x404) – Screw mounting (mounting holes are located on the front side of the grille frame), stainless steel sheet material, frame width 52mm.
