ro en
Single-row adjustable grille 1-Р-25-35

Single-row adjustable grille 1-Р-25-35

This type of grilles is used in supply and exhaust ventilation and air conditioning systems, designed for installation in air ducts or building openings in premises of various types and purposes.
SKU: ARPD0038

Assignment

This type of grilles is used in supply and exhaust ventilation and air conditioning systems, designed for installation in air ducts or building openings in premises of various types and purposes.

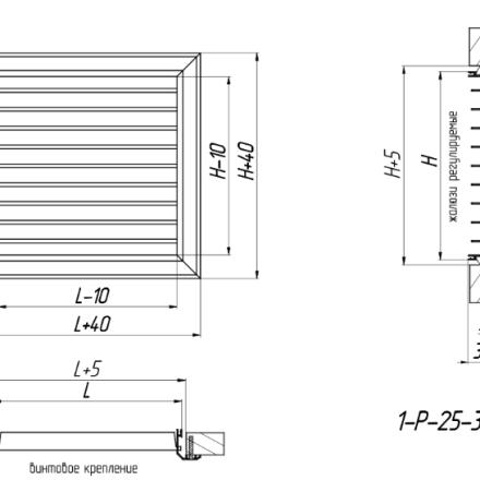
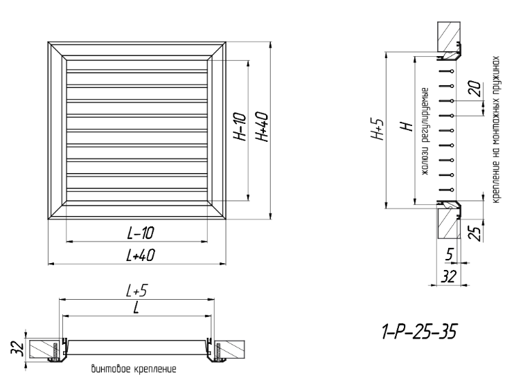
Design and materials

The grilles are made of high-quality aluminum profiles in the form of a frame and consist of horizontal movable plates, changing the position of which (incline angle is selected individually and adjustable independently of each other), you can correct the direction of the air flow.
The grille design includes both standard (hidden) mounting by means of springs and by means of a screw connection (mounting holes are countersunk on the front flange).

The profiles are coated with heat-resistant powder paint, which provides reliable protection against negative environmental factors and prevents premature product wear.
The standard color of painting is white, but at the customer request it is possible to paint in another color according to the RAL catalog.

 

Modifications

Fitting sizes LxH with 5mm steps.
For size L> 500mm, a dividing profile is used.

Example of order and mounting

1-Р-25-35 (RAL-9016) 400х300h – springs mounting, white colour
1-Р-25-35 * (RAL-9016) 400x300h – Screw mounting (mounting holes are located on the front side of the grille frame), white colour.

Configuration

- can be delivered with a protective net from birds and rodents (+C)
- can be delivered with manually or mechanically adjusted damper (+DR or +DM)

This website uses cookies for functional, convenient and statistical reasons. If you accept the use of cookies, click the "I agree" button. Privacy and personal data protection policy.